
应用
适用于在高温下易分解,聚合和变质的热敏性物料的低温干燥;被广泛地采用在制药、化工、食品、电子等行业。
原理
所谓真空干燥,就是将干燥物料处在真空条件下,进行加热干燥,如果利用真空泵进行抽气抽湿,则加快了干燥速率。
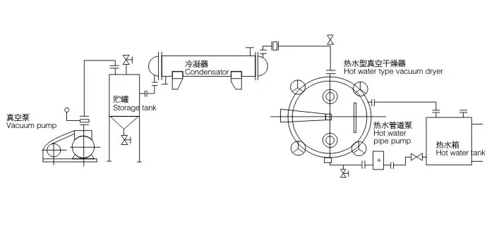
注:如采用冷凝器,物料中的溶剂可通过冷凝器加以回收;如采用SKJiuyou 9(中国)水环真空泵,可不用冷凝器,节省能源投资。
技术特点
• 真空下物料溶液的沸点降低,使蒸发器的传热推动力增大,因此对一定的传热量可以节省蒸发器的传热面积。
• 蒸发操作的热源可采用低压蒸汽或废热蒸汽。
• 蒸发器热损失少。
• 在干燥前可进行消毒处理,干燥过程中无任何不纯物混入,符合GMP要求。
• 属于静态真空干燥器,故干燥物料的形体不会损坏。
典型用户
• 先声药业集团
• 哈药集团制药总厂
• 东北制药总厂
• 吉林修正药业有限公司
• 石药集团
• 吉林敖东药业
• 北京双鹤现代医药有限公司
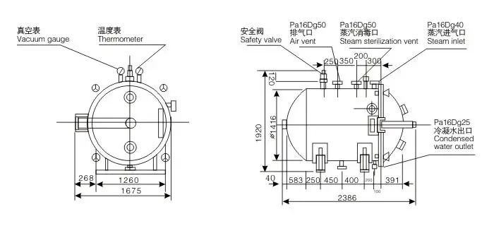
YZG-1400 圆形真空干燥器

FZG-15 方形真空干燥器

热水加热,溶剂回收真空干燥系统图

蒸汽加热,溶剂不回收真空干燥系统图

技术参数

本公司可按用户要求定制生产,如有变动,恕不另行通知!